Descripción del producto
El motor de asíncrono de corriente alterna serie YE3 cuenta con rodamientos de bajo ruido. También reduce el rizado de par electromagnético y aumenta la precisión de las piezas mecánicas, compresores, cintas transportadoras, dragas, motores y transvertidor, lavadoras, laminadoras, ventiladores de tiro, etc.
La serie de motores asíncronos de corriente alterna de acuerdo con la velocidad:
1. La velocidad es 3000r/min y la potencia es de 0.75~22kw;
2. La velocidad es 1500r/min y la potencia es de 0.75~22kw;
3. La velocidad es 1000r/min La velocidad es 0.75~15kw.
El voltaje de los tres modelos es 380V
Parámetros técnicos
3000r/min, 380V, 50Hz
| Modelo | Potencia | Velocidad | Eficiencia | Factor de potencia | Corriente nominal | Par nominal | Par con rotor bloqueado | Par máx | Corriente de par con rotor bloqueado |
| Par nominal | Par nominal | Corriente nominal |
| Kw | HP | rpm | η% | COS ⌀ | A | Nm | Ts/Tn | Tmax/Tn | Is/I n |
| YE3-801-2 | 0.75 | 1 | 2880 | 80.7 | 0.82 | 1.72 | 2.49 | 2.3 | 2.3 | 7.0 |
| YE3-802-2 | 1.1 | 1.5 | 2880 | 82.7 | 0.83 | 2.43 | 3.65 | 2.2 | 2.3 | 7.3 |
| YC3-90S-2 | 1.5 | 2 | 2095 | 84.2 | 0.84 | 3.22 | 4.95 | 2.2 | 2.3 | 7.6 |
| YE3 90L-2 | 2.2 | 3 | 2895 | 85.9 | 0.85 | 4.58 | 7.26 | 2.2 | 2.3 | 7.6 |
| YE3-100L-2 | 3 | 4 | 2895 | 87.1 | 0.87 | 6.02 | 9.90 | 2.2 | 2.3 | 7.8 |
| YE3-112M-2 | 4 | 5.5 | 2905 | 88.1 | 0.88 | 7.84 | 13.1 | 2.2 | 2.3 | 8.3 |
| YE3-132S1-2 | 5.5 | 7.5 | 2930 | 89.2 | 0.88 | 10.6 | 17.9 | 2.0 | 2.3 | 8.3 |
| YE3-132S2-2 | 7.5 | 10 | 2830 | 90.1 | 0.88 | 14.4 | 24.4 | 2.0 | 2.3 | 7.9 |
| YE3-160M1-2 | 11 | 15 | 2945 | 91.2 | 0.89 | 20.6 | 35.7 | 2.0 | 2.3 | 8.1 |
| YE3-160M2-2 | 15 | 20 | 2945 | 91.9 | 0.89 | 27.9 | 48.6 | 2.0 | 2.3 | 8.1 |
| YE3-160L-2 | 10.5 | 25 | 2940 | 92.4 | 0.89 | 34.2 | 60.1 | 2.0 | 2.3 | 8.2 |
| YE3-180M-2 | 22 | 30 | 2955 | 92.7 | 0.89 | 40.5 | 71.1 | 2.0 | 2.3 | 8.2 |
1500r/min, 380V, 50Hz
| Modelo | Potencia | Velocidad | Eficiencia | Factor de potencia | Corriente nominal | Par nominal | Par con rotor bloqueado | Par máx | Corriente de par con rotor bloqueado |
| Par nominal | Par nominal | Corriente nominal |
| Kw | HP | rpm | η% | COS ⌀ | A | Nm | Ts/Tn | Tmax/Tn | Is/I n |
| YE3-802 4 | 0.75 | 1 | 1420 | 82.5 | 0.75 | 1.84 | 5.04 | 2.3 | 2.3 | 6.6 |
| YE3-90S-4 | 1.1 | 1.5 | 1445 | 84.1 | 0.76 | 2.61 | 7.27 | 2.3 | 2.3 | 6.8 |
| YE3-90L-4 | 1.5 | 2 | 1445 | 85.3 | 0.77 | 3.47 | 9.91 | 2.3 | 2.3 | 7.0 |
| YE3-100L1-4 | 2.2 | 3 | 1435 | 86.7 | 0.81 | 4.76 | 14.6 | 2.3 | 2.3 | 7.6 |
| YE3-100L2-4 | 3 | 4 | 1435 | 87.7 | 0.82 | 6.34 | 20.0 | 2.3 | 2.3 | 7.6 |
| YE3-112M-4 | 4 | 5.5 | 1440 | 88.6 | 0.82 | 8.37 | 26.5 | 2.2 | 2.3 | 7.9 |
| YC3-132S-4 | 5.5 | 7.5 | 1460 | 89.6 | 0.83 | 11.2 | 36.0 | 2.0 | 2.3 | 7.9 |
| YE3-132M-4 | 7.5 | 10 | 1460 | 90.4 | 0.84 | 15.0 | 49.1 | 2.0 | 2.3 | 7.5 |
| YE3-160M-4 | 11 | 15 | 1465 | 91.4 | 0.85 | 21.5 | 71.7 | 2.2 | 2.3 | 7.7 |
| YE3-160L-4 | 15 | 20 | 1465 | 92.1 | 0.86 | 28.9 | 97.8 | 2.2 | 2.3 | 7.9 |
| YE3 -180M-4 | 18.5 | 25 | 1470 | 92.6 | 0.86 | 35.3 | 120.2 | 2.0 | 2.3 | 7.0 |
| YE3-180I-4 | 22 | 30 | 1470 | 93.0 | 0.86 | 41.8 | 142.9 | 2.0 | 2.3 | 7.8 |
1000r/min, 380V, 50Hz
| Modelo | Potencia | Velocidad | Eficiencia | Factor de potencia | Corriente nominal | Par nominal | Par con rotor bloqueado | Par máx | Corriente de par con rotor bloqueado |
| Par nominal | Par nominal | Corriente nominal |
| Kw | HP | rpm | η% | COS ⌀ | A | Nm | Ts/Tn | Tmax/Tn | Is/I n |
| YE3-90S-6 | 0.75 | 1 | 935 | 78.9 | 0.71 | 2.03 | 7.66 | 2.0 | 2.1 | 6.0 |
| YE3-90L-6 | 1.1 | 1.5 | 945 | 81.0 | 0.73 | 2.83 | 11.1 | 2.0 | 2.1 | 6.0 |
| YE3-100L-6 | 1.5 | 2 | 949 | 82.5 | 0.73 | 3.78 | 15.1 | 2.0 | 2.1 | 6.5 |
| YE3-112M-6 | 2.2 | 3 | 955 | 84.3 | 0.74 | 5.36 | 22.0 | 2.0 | 2.1 | 6.6 |
| YE3-132S-6 | 3 | 4 | 968 | 85.6 | 0.74 | 7.20 | 29.6 | 2.0 | 2.1 | 6.8 |
| YE3-132M1-6 | 4 | 5.5 | 968 | 86.8 | 0.74 | 9.46 | 39.5 | 2.0 | 2.1 | 6.8 |
| YE3-132M2-6 | 5.5 | 7.5 | 968 | 88.0 | 0.75 | 12.7 | 54.3 | 2.0 | 2.1 | 7.0 |
| YE3-160M-6 | 7.5 | 10 | 970 | 89.1 | 0.79 | 16.2 | 73.8 | 2.0 | 2.1 | 7.0 |
| YE3-160L-6 | 11 | 15 | 970 | 90.3 | 0.80 | 23.1 | 108.3 | 2.0 | 2.1 | 6.2 |
| YE3-180L-6 | 15 | 20 | 975 | 91.2 | 0.81 | 30.9 | 146.9 | 2.0 | 2.1 | 7.3 |
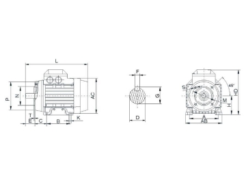
Dimensiones externas para instalación:
IM B3 H80-132
Gráfico de dimensiones
| Marco No. | A | B | C | D | E | F | G | H | K | AB | AC | HD | L |
| IE3 |
| 80M | 125 | 100 | 50 | ⌀19 | 40 | 6 | 21.5 | 80 | ⌀10 | 154 | 145x145 | 190 | 305 |
| 90S | 140 | 100 | 56 | ⌀ 24 | 50 | 8 | 27 | 90 | ⌀10 | 180 | 160x160 | 205 | 340 |
| 90L | 140 | 125 | 56 | ⌀24 | 50 | 8 | 27 | 90 | ⌀10 | 180 | 160x160 | 205 | 365 |
| 100L | 160 | 140 | 63 | ⌀28 | 60 | 8 | 31 | 100 | ⌀12 | 205 | 185x185 | 240 | 405 |
| 112M | 190 | 140 | 70 | ⌀28 | 60 | 8 | 31 | 112 | ⌀12 | 235 | 200x200 | 270 | 455 |
| 132S | 216 | 140 | 89 | ⌀38 | 80 | 10 | 41 | 132 | ⌀12 | 261 | 245x245 | 310 | 470 |
| 132M | 216 | 178 | 89 | ⌀38 | 80 | 10 | 41 | 132 | ⌀12 | 261 | 245 x24b | 310 | 510 |
| 160M | 254 | 210 | 108 | ⌀42 | 110 | 12 | 45 | 160 | ⌀14.5 | 320 | 320x320 | 450 | 640 |
| 160L | 254 | 254 | 108 | ⌀42 | 110 | 12 | 45 | 160 | ⌀14.5 | 320 | 320x320 | 450 | 680 |
| 180M | 279 | 241 | 121 | ⌀48 | 110 | 14 | 51.5 | 180 | ⌀14.5 | 355 | 360x360 | 500 | 790 |
| 180L | 279 | 279 | 121 | ⌀48 | 110 | 14 | 51.5 | 180 | ⌀14.5 | 355 | 360x360 | 500 | 930 |
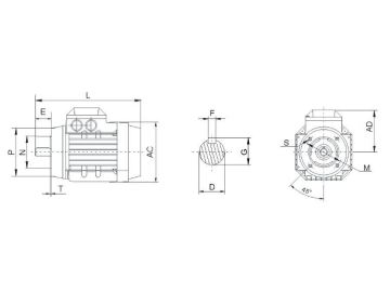
IM B14 H80-112
Gráfico de dimensiones
| Marco No. | D | E | F | G | M | N | P | S | T | AC | AD | L |
| 80M | ⌀19 | 40 | 6 | 21.5 | 100 | 80 | 120 | M6 | 3.0 | 145x145 | 115 | 305 |
| 90S | ⌀24 | 50 | 8 | 27 | 115 | 95 | 140 | M8 | 3.0 | 160x160 | 122 | 340 |
| 90L | ⌀24 | 50 | 8 | 27 | 115 | 95 | 140 | M8 | 3.0 | 160x160 | 122 | 365 |
| 100L | ⌀28 | 60 | 8 | 31 | 130 | 110 | 155 | M8 | 3.5 | 185x185 | 137 | 405 |
| 112M | ⌀28 | 60 | 8 | 31 | 130 | 110 | 160 | M8 | 3.5 | 200 x 200 | 155 | 455 |
IM B34 H80-132
Gráfico de dimensiones
| Marco No. | A | B | C | D | E | F | G | H | K | M | N | P | S | T | AB | AC | HD | L |
| 80M | 125 | 100 | 50 | ⌀19 | 40 | 6 | 21.5 | 80 | ⌀10 | 100 | 80 | 120 | M6 | 3.0 | 154 | 145x145 | 190 | 305 |
| 90S | 140 | 100 | 56 | ⌀ 24 | 50 | 8 | 27 | 90 | ⌀10 | 115 | 95 | 140 | M8 | 3.0 | 180 | 160x160 | 205 | 340 |
| 90L | 140 | 125 | 56 | ⌀24 | 50 | 8 | 27 | 90 | ⌀10 | 115 | 95 | 140 | M8 | 3.0 | 180 | 160x160 | 205 | 365 |
| 100L | 160 | 140 | 63 | ⌀28 | 60 | 8 | 31 | 100 | ⌀12 | 130 | 110 | 155 | M8 | 3.5 | 205 | 185x185 | 240 | 405 |
| 112M | 190 | 140 | 70 | ⌀28 | 60 | 8 | 31 | 112 | ⌀12 | 130 | 110 | 160 | M8 | 3.5 | 235 | 200x200 | 270 | 455 |
IM B5 H80-180
Gráfico de dimensiones
| Marco No. | D | E | F | G | H | K | M | N | P | S | T | AC | AD | L |
| 80M | ⌀19 | 40 | 6 | 21.5 | 80 | ⌀10 | 165 | 130 | 200 | 12 | 3.5 | 145x145 | 115 | 305 |
| 90S | ⌀ 24 | 50 | 8 | 27 | 90 | ⌀10 | 165 | 130 | 200 | 12 | 3.5 | 160x160 | 122 | 340 |
| 90L | ⌀24 | 50 | 8 | 27 | 90 | ⌀10 | 165 | 130 | 200 | 12 | 3.5 | 160x160 | 122 | 365 |
| 100L | ⌀28 | 60 | 8 | 31 | 100 | ⌀12 | 215 | 180 | 250 | 14.5 | 4 | 185x185 | 137 | 405 |
| 112M | ⌀28 | 60 | 8 | 31 | 112 | ⌀12 | 215 | 180 | 250 | 14.5 | 4 | 200x200 | 155 | 455 |
| 132S | ⌀38 | 80 | 10 | 41 | 132 | ⌀12 | 265 | 230 | 300 | 14.5 | 4 | 245x245 | 180 | 470 |
| 132M | ⌀38 | 80 | 10 | 41 | 132 | ⌀12 | 265 | 230 | 300 | 14.5 | 4 | 245 x24b | 180 | 510 |
| 160M | ⌀42 | 110 | 12 | 45 | 160 | ⌀14.5 | 300 | 250 | 350 | 18.5 | 5 | 320x320 | 290 | 640 |
| 160L | ⌀42 | 110 | 12 | 45 | 160 | ⌀14.5 | 300 | 250 | 350 | 18.5 | 5 | 320x320 | 290 | 680 |
| 180M | ⌀48 | 110 | 14 | 51.5 | 180 | ⌀14.5 | 300 | 255 | 350 | 18.5 | 5 | 360x360 | 320 | 790 |
| 180L | ⌀48 | 110 | 14 | 51.5 | 180 | ⌀14.5 | 300 | 250 | 350 | 18.5 | 5 | 360x360 | 320 | 930 |
IM B35 H80-180
Gráfico de dimensiones
| Marco No. | A | B | C | D | E | F | G | H | K | M | N | P | S | T | AB | AC | HD | L |
| 80M | 125 | 100 | 50 | ⌀19 | 40 | 6 | 21.5 | 80 | ⌀10 | 165 | 130 | 200 | 12 | 3.5 | 154 | 145x145 | 190 | 305 |
| 90S | 140 | 100 | 56 | ⌀ 24 | 50 | 8 | 27 | 90 | ⌀10 | 165 | 130 | 200 | 12 | 3.5 | 180 | 160x160 | 205 | 340 |
| 90L | 140 | 125 | 56 | ⌀24 | 50 | 8 | 27 | 90 | ⌀10 | 165 | 130 | 200 | 12 | 3.5 | 180 | 160x160 | 205 | 365 |
| 100L | 160 | 140 | 63 | ⌀28 | 60 | 8 | 31 | 100 | ⌀12 | 215 | 180 | 250 | 14.5 | 4 | 205 | 185x185 | 240 | 405 |
| 112M | 190 | 140 | 70 | ⌀28 | 60 | 8 | 31 | 112 | ⌀12 | 215 | 180 | 250 | 14.5 | 4 | 235 | 200x200 | 270 | 455 |
| 132S | 216 | 140 | 89 | ⌀38 | 80 | 10 | 41 | 132 | ⌀12 | 265 | 230 | 300 | 14.5 | 4 | 261 | 245x245 | 310 | 470 |
| 132M | 216 | 178 | 89 | ⌀38 | 80 | 10 | 41 | 132 | ⌀12 | 265 | 230 | 300 | 14.5 | 4 | 261 | 245 x24b | 310 | 510 |
| 160M | 254 | 210 | 108 | ⌀42 | 110 | 12 | 45 | 160 | ⌀14.5 | 300 | 250 | 350 | 18.5 | 5 | 320 | 320x320 | 450 | 640 |
| 160L | 254 | 254 | 108 | ⌀42 | 110 | 12 | 45 | 160 | ⌀14.5 | 300 | 250 | 350 | 18.5 | 5 | 320 | 320x320 | 450 | 680 |
| 180M | 279 | 241 | 121 | ⌀48 | 110 | 14 | 51.5 | 180 | ⌀14.5 | 300 | 255 | 350 | 18.5 | 5 | 355 | 360x360 | 500 | 790 |
| 180L | 279 | 279 | 121 | ⌀48 | 110 | 14 | 51.5 | 180 | ⌀14.5 | 300 | 250 | 350 | 18.5 | 5 | 355 | 360x360 | 500 | 930 |
Zhouyi es un fabricante y proveedor confiable de motores asíncronos y se especializa en el diseño y la fabricación de motores industriales, reductores de velocidad y engranajes desde 1990. Con el proceso de fabricación de acuerdo con el estándar IEC, nuestra empresa se dedica a proporcionar los motores de inducción de corriente alterna de alta calidad con una variedad de selecciones de modelos y configuraciones para satisfacer sus necesidades específicas de los equipos y máquinas.