Acople ranurado rígido
Solicite un presupuesto
Accesorios ranurados de hierro dúctil
El acople ranurado rígido es un accesorio de tubería que se utiliza para conectar dos tuberías o equipos en diversas aplicaciones. Ofrece una instalación fácil y rápida sin necesidad de herramientas o habilidades especiales.
Características
- El acople ranurado rígido permite una instalación flexible y rápida sin el uso de herramientas especiales.
- Alta flexibilidad: el uso de acoples ranurados proporciona flexibilidad en los sistemas de tuberías, permitiendo el movimiento angular y axial entre tuberías o equipos conectados.
- Gran versatilidad: los accesorios ranurados de hierro dúctil son adecuados para conectar tuberías de diferentes materiales, incluidos acero, cobre, plástico y acero inoxidable.
Aplicaciones recomendadas
El acople ranurado rígido se usa ampliamente en varios sistemas de tuberías hechos de diferentes materiales, como suministro de agua, drenaje, HVAC y otros sistemas que requieren conexiones de tuberías.
Especificaciones principales
- Tamaños disponibles: 1~12 pulgada | DN25~DN300
- Presion de trabajo: 300PSI/2.07MPa
- Certificado: FM/UL/CE certificado
- Recubrimiento: epoxi/galvanizado
- Color: rojo/naranja/blanco, etc.
- Material: hierro dúctil
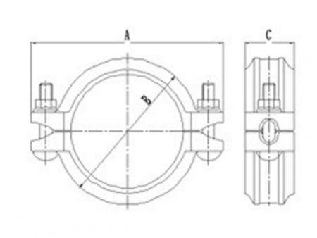
Especificaciones
| Tamaño nominal | Diámetro exterior de la tubería | Dimensiones | Tamaño del perno | ||
| mm/pulgadas | mm/pulgadas | mm/pulgadas | No.-Tamaño mm | ||
| A mm/pulgdas | B mm/pulgadas | C mm/pulgadas | |||
| 25/1 | 33.7/1.327 | 58/2.28 | 98/3.85 | 45/1.77 | 3/8*45-2 |
| 32/(1 1/4) | 42.4/1.669 | 68/2.68 | 106/4.17 | 45/1.77 | 3/8*45-2 |
| 40/(1 1/2) | 48.3/1.9 | 74/2.91 | 114/4.49 | 45/1.77 | 3/8*45-2 |
| 50/2 | 60.3/2.375 | 86/3.39 | 128/5.04 | 45/1.77 | 3/8*55-2 |
| 65/(1 1/2) | 73/2.875 | 98/3.86 | 137/5.39 | 45/1.77 | 3/8*55-2 |
| 65/(1 1/2) | 76.1/3 | 98/3.86 | 141/5.55 | 45/1.77 | 3/8*55-2 |
| 80/3 | 88.9/3.5 | 112/4.41 | 155/6.10 | 45/1.77 | 3/8*55-2 |
| 100/4 | 108/4.25 | 140/5.51 | 189/7.44 | 50/1.96 | 1/2*65-2 |
| 100/4 | 114.3/4.5 | 140/5.51 | 192/7.56 | 50/1.96 | 1/2*65-2 |
| 125/5 | 133/5.25 | 164/6.46 | 216/8.5 | 50/1.96 | 1/2*75-2 |
| 125/5 | 139.7/5.5 | 166/6.54 | 217/8.54 | 50/1.96 | 1/2*75-2 |
| 125/5 | 141.3/5.563 | 173/6.81 | 225/8.86 | 50/1.96 | 1/2*75-2 |
| 150/6 | 159/6.25 | 193/7.59 | 246/9.69 | 50/1.96 | 1/2*75-2 |
| 150/6 | 165.1/6.5 | 199/7.83 | 252/9.92 | 50/1.96 | 1/2*75-2 |
| 150/6 | 168.3/6.625 | 197/7.76 | 244/9.61 | 48/1.89 | 1/2*75-2 |
| 200/8 | 219.1/8.625 | 255/10.04 | 322/12.67 | 58/2.28 | 5/8*95-2 |
| 250/10 | 273/10.75 | 318/12.51 | 400/15.74 | 62/2.44 | 3/4*110-2 |
| 300/12 | 323.9/12.75 | 372/14.64 | 454/17.87 | 64/2.51 | 3/4*120-2 |
¿Cuáles son las ventajas de los acoples ranurados rígidos?
Los acoples o acoplamientos ranurados rígidos ofrecen ventajas como fácil instalación y mantenimiento, estructura compacta, peso ligero, confiabilidad, durabilidad y rentabilidad.
¿Para qué sirve un acople ranurado rígido?
Un acople ranurado rígido es un accesorio de tubería común que se utiliza en sistemas de tuberías de edificios, sistemas de tuberías de transporte industrial, sistemas de tuberías de protección contra incendios, etc., que brinda comodidad para la instalación y el mantenimiento de sistemas de tuberías.
¿Por qué elegir acoples ranurados rígidos o flexibles para rociadores contra incendios y otros sistemas de protección contra incendios?
Los acoples ranurados rígidos y flexibles se encuentran entre los equipos más importantes en el campo de la protección contra incendios. Permiten conexiones rápidas e impermeables sin necesidad de soldar, roscar o usar bridas, lo que hace que la instalación sea conveniente y reduce los riesgos potenciales durante el proceso de instalación.
Productos relacionados
Comentarios
Otros productos
Novedades
Más
Otros productos
Vídeos

