Rueda guía para bulldozer Caterpillar D9
Solicite un presupuesto
Especializados en la fabricación de trenes de rodaje para maquinaria pesada de 20 a 330 toneladas
Ofrecemos alternativas OEM idénticas a las de los distribuidores, fabricantes y talleres de reparación más importantes del mundo.
Ofrecemos alternativas OEM idénticas a las de los distribuidores, fabricantes y talleres de reparación más importantes del mundo.
- Modelos de bulldozer Caterpillar compatiblesD9N, D9T, D9R
- Números de piezas OEM 107-2690, 125-4655, 7T2769, 9W9991
Especificaciones técnicas
- Descripción: Rueda guía
- Origen: China
- Marca: PT'ZM
- Modelo de máquina aplicable: D9
- Marca de máquina aplicable: Caterpillar
- Número de pieza: 9W9991
- Certificado: GB/T19001-2016, ISO9001:2015
- Precio: A convenir
- Método de embalaje: Embalaje marítimo fumigado
- Plazo de entrega: 7-30 días
- Condiciones de pago: Transferencia bancaria (transferencia bancaria, otras condiciones a convenir)
- Condiciones de envío: FOB, CIF, CFR
- Cantidad mínima de pedido: 1 unidad
- Capacidad de suministro: 100 unidades/mes
- Material: 35Simn/42Crmo/QT450-10
- Proceso de fabricación: Fundición
- Acabado: Liso
- Dureza: HRC55-58, profundidad: 8-10mm
- Calidad: Construcción y minería, trabajo pesado
- Periodo de garantía: 12 meses
- Servicio posventa: Soporte técnico por video, soporte en línea
- Color: Amarillo o según requerimiento del cliente
- Aplicación: Bulldozer sobre orugas
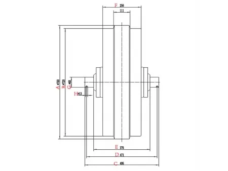
Tabla de tamaño (unidad: mm)
| D9N | A | B | C | D |
| 760 | 720 | 495 | 471 | |
| E | F | G | H | |
| 376 | 256 | 68 | 13 |

