Rueda dentda para excavadora Komatsu PC300
Solicite un presupuesto
Especializados en la fabricación de trenes de rodaje para maquinaria pesada de 20 a 330 toneladas
Ofrecemos alternativas OEM idénticas a las de los distribuidores, fabricantes y talleres de reparación más importantes del mundo.
Ofrecemos alternativas OEM idénticas a las de los distribuidores, fabricantes y talleres de reparación más importantes del mundo.
- Modelos de excavadoras Komatsu compatiblesPC300-3, PC300-5, PC290-6, PC280-3, PC250-6
- Números de piezas OEM 207-27-33222, 207-27-K1110
Especificaciones técnicas
- Descripción: Rueda dentada
- Origen: China
- Marca: PT'ZM
- Modelo de máquina aplicable: PC300
- Marca de máquina aplicable: Komatsu
- Número de pieza: 207-27-33222
- Certificado: GB/T19001-2016, ISO9001:2015
- Precio: A convenir
- Método de embalaje: Embalaje fumigado apto para transporte marítimo
- Plazo de entrega: 7-30 días
- Condiciones de pago: Transferencia bancaria (transferencia bancaria, otras condiciones a convenir)
- Condiciones de envío: FOB, CIF, CFR
- Cantidad mínima de pedido: 1 unidad
- Capacidad de suministro: 10 000 unidades/mes
- Material: 35SiMn
- Proceso de fabricación: Fundición
- Acabado: Liso
- Dureza: HRC50-60
- Calidad: Construcción y minería
- Periodo de garantía: 12 meses
- Servicio posventa: Asistencia técnica por vídeo, soporte en línea
- Color: Negro, amarillo o según las necesidades del cliente
- Aplicación: Excavadora de cadenas
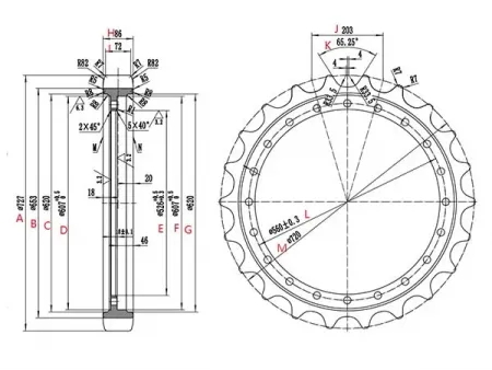
Tabla de tamaño (unidad: mm)
| PC300 | A | B | C | D | E | F | G |
| 727 | 653 | 620 | 607 | 526 | 607 | 620 | |
| H | I | J | K | L | M | ||
| 86 | 72 | 203 | 65.25 | 560 | 720 |

