Válvula principal de accionamiento para plataforma de tijera hidráulica MCM-H
Solicite un presupuesto
Sitio web: http://hydraulicvalve-ar.com/12-3-scissor-lift-control-valve-for-hydraulic-scissor-lift.html
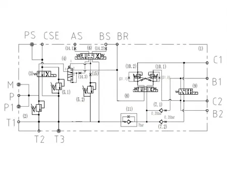
Bloques de válvulas hidráulicas para un control suave de la elevación, descenso y desplazamiento del elevador de tijera
- Diseño modular y compacto para un control hidráulico seguro y confiable.
- Diseño patentado con válvula de contrapeso de desplazamiento integrada para mejorar la estabilidad general de la plataforma.
- Su construcción de alta eficiencia reduce el consumo de energía, lo que prolonga el tiempo de funcionamiento del equipo.
Aplicaciones
Diseñado para plataformas elevadoras de tijera accionadas hidráulicamente, este bloque de válvula proporciona un control suave de elevación y descenso, así como un ajuste confiable de su velocidad y dirección de desplazamiento, lo que garantiza un funcionamiento seguro, estable y eficiente de la plataforma durante el trabajo elevado.
Especificaciones
| Presión máxima de funcionamiento | 250bar |
| Caudal nominal | 20L/min |
| Voltaje | DC20V±10% |
| Rango de temperatura del fluido | -30℃~110℃ |
| Rango de temperatura ambiente | -30℃~110℃ |
| Rango de viscosidad del aceite | ISO 20~400mm²/s |
Productos relacionados
Comentarios
Otros productos

