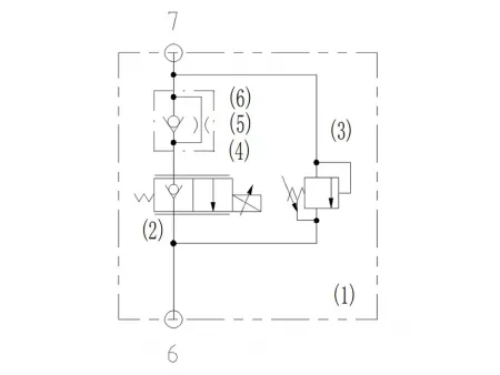
Bloque de válvula de control del cilindro de elevación CCM-1 (cilindro superior)
Solicite un presupuesto
Bloques de válvula hidráulica para un control suave de la elevación y el descenso del elevador de tijera
- Diseño modular y compacto para un control hidráulico seguro y confiable.
- Diseño patentado con válvula de contrapeso de desplazamiento integrada para mejorar la estabilidad general de la plataforma.
- Su construcción de alta eficiencia reduce el consumo de energía, lo que prolonga el tiempo de funcionamiento del equipo.
Aplicaciones
Este bloque de válvula de control del cilindro de elevación está diseñado para plataformas de tijera y proporciona un control preciso del cilindro de elevación superior durante la elevación y el descenso. Gracias a su capacidad de retención de presión y a su velocidad de descenso controlada, garantiza un funcionamiento estable, mayor seguridad y una mayor eficiencia de la plataforma.
Especificaciones
| Presión máxima de funcionamiento | 240bar |
| Caudal nominal | 20L/min |
| Voltaje | DC24V±10% |
| Rango de temperatura del fluido | -20℃~80℃ |
| Rango de temperatura ambiente | -20℃~80℃ |
| Rango de viscosidad del aceite | ISO 20~400mm²/s |
Productos relacionados
Comentarios
Otros productos
Novedades
Más
Otros productos
Vídeos

