Válvulas para montacargas
Válvulas hidráulicas para el control de elevación, inclinación, movimiento hacia atrás y hacia adelante y desplazamiento lateral del montacargas
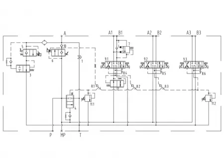
Nuestros bloques de válvulas para montacargas están diseñados para controlar la gama completa de funciones hidráulicas de montacargas de hasta 3.5 toneladas, incluyendo elevación, inclinación del mástil, avance y retroceso, desplazamiento lateral y control de implementos auxiliares. Además de las características estándar, estos bloques de válvulas se pueden personalizar para integrar funciones de prioridad de dirección, contrapeso doble y detección de presencia del operador (OPS) para satisfacer diversas necesidades operativas.
- Estructura modular y compacta que garantiza un rendimiento seguro y fiable.
- Diseño patentado con OPS integrado y opciones de prioridad de dirección para una mayor versatilidad.
- Baja pérdida de presión y alta eficiencia, lo que reduce el consumo de energía y prolonga el tiempo de funcionamiento del montacargas.
| Presión máxima de funcionamiento | 280bar |
| Caudal nominal | 90L/min |
| Rango de temperatura del fluido | -30℃~100℃ |
| Rango de temperatura ambiente | -30℃~50℃ |
| Rango de viscosidad del aceite | ISO 20~400mm²/s |
Adecuadas para montacargas contrapesadas eléctricas y carretillas retráctiles eléctricas, estas válvulas proporcionan un control de precisión electroproporcional sobre la elevación y el descenso de la horquilla, la inclinación del mástil hacia adelante y hacia atrás, el desplazamiento lateral y las operaciones de accesorios, lo que proporciona un manejo suave y eficiente en entornos de manipulación de materiales.

