4TH08 Joystick hidráulico
Solicite un presupuesto
- Todos los puertos de conexión están ubicados en la superficie de la estructura, hacen la instalación muy sencilla y ahorra tiempo
- Gracias a su diseño, necesitan una fuerza de accionamiento mínima, mejora la comodidad y reduce la fatiga durante periodos de uso continuo
- Las válvulas piloto hidráulicas se caracterizan por su respuesta rápida y gran sensibilidad a las entradas de control, esto garantiza un funcionamiento preciso
- La personalización de las características de presión está disponible para adaptarse a requerimientos específicos de diferentes sistemas de válvulas de control multivía, siendo versátiles en la aplicación
- El diseño de la válvula de control ofrece opciones configurables para que funcionen o bien a la izquierda o a la derecha, se adaptan a las necesidades del cliente y a los requisitos de configuración.
Aplicaciones
- Excavadoras
- Cargadoras frontales
- Maquinaria agrícola
Parámetros
| Presión de pilotaje (MPa) | Máximo 7 |
| Caudal de control (L/min) | Máximo 20 |
| Aceite hidráulico | Aceite mineral (HL, HLP) según DIN 51 524 |
| Rango de temperatura del fluido (℃) | -20~90℃ |
| Rango de viscosidad (mm2/s) | 10~380 |
| Limpieza del fluido | No menor a GB/T 14039-93 nivel 19/16 o NAS 1638 nivel 10 |
| Peso (kg) | 2.65 |
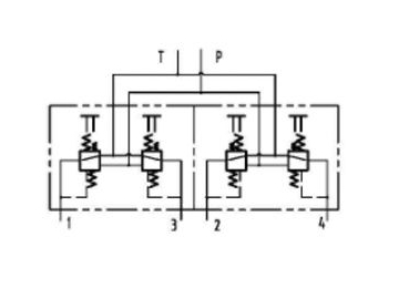
Diagrama del sistema hidráulico
Dimensiones de conexión de la instalación
Proveedor especializado dedicado a la I D, fabricación y venta de innumerables componentes hidráulicos
Capacidad de producción anual de 250.000 juegos de componentes hidráulicos
Nuestra amplia variedad incluye más de 30 series y más de 200 variedades y especificaciones diseñadas para satisfacer las necesidades específicas de nuestros clientes
Productos relacionados
Comentarios
Otros productos
Novedades
Más
Otros productos
Vídeos

