Relé de estado sólido trifásico mejorado NNG1-3/250F-38 AC-AC

Relé de estado sólido trifásico mejorado NNG1-3/250F-38 AC-AC
Solicite un presupuesto

El relé de estado sólido trifásico mejorado NNG1-3/250F-38 AC-AC se emplea en las luces de señalización, centelleadores, sistemas de iluminación de escenarios, instrumentos y equipos médicos, fotocopiadoras, lavadoras automáticas, equipos contra incendios, sistemas de seguridad, y como interruptor selector de los condensadores de potencia. Por otra parte, se usa extensamente en la industria química, minas de carbón y otros ambientes con condiciones rigurosas donde se requiere elementos a prueba de explosiones, humedad, polvo y corrosión, y con una capacidad de conmutación frecuente.

Descripción del modelo
Relé de estado sólido trifásico mejorado NNG1-3/250F-38 AC-AC
Voltaje de control 250:90-250VAC
Corriente de control 5-30mA
Voltaje de encendido 90VAC
Voltaje de apagado 10VAC
Tiempo del intervalo /
Tensión de carga 38:40-440VAC
Corriente de carga 10 15 20 25 30 40 60 80 100 120A
Voltaje transitorio 38:1000VAC
Caída de voltaje en estado activo AC:≤1,6VAC
Tiempo de encendido/apagado AC:≤10mS
Corriente residual en estado inactivo AC:≤10mA
Voltaje dieléctrico soportado ≥2500VAC
Resistencia de aislamiento Prueba de 500MΩ,500VDC
Temperatura ambiental -30℃~80℃
Modo de instalación Instalación con tornillos
Peso del relé 10A≈360g 40A≈390g 80A≈400g
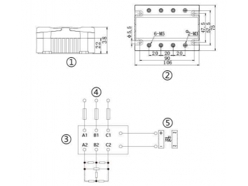
Dimensiones 106×75×33.5mm
Recomendaciones: Cuando la carga es mayor que 10A, el dispositivo debe contar con un disipador térmico, y cuando la temperatura supera los 80℃ debe enfriarse con un ventilador o agua.
Tamaño y método de instalación del producto

① Figura con las dimensiones; ② Tamaño de instalación; ③ Diagrama de cableado; ④ Carga de la fuente de alimentación; ⑤ Control de la fuente de alimentación

Productos relacionados
relevador, interruptor eléctrico, dispositivo interruptor

Productos relacionados
Comentarios
Otros productos
Enviar mensaje
Enviar mensaje