Válvula de Bola con Brida de 2 Piezas (ANSI/ASME 150LB)
Solicite un presupuesto
- Brida: ASME B 16.5
- Longitud cara a cara: ANSI 16.10
- Placa de montaje: ISO 5211
- Presión de trabajo: 1/2"-2":PN16/25/40,2-1/2"-4":PN16
- Rango de temperatura: -25℃ a 180℃
- Material: CF8M, CF8, CF3M, WCB
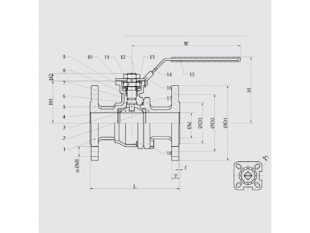
Lista de materiales
| Ítem | Pieza | Material | Cantidad. | |||
| 1 | Cuerpo | A216-WCB | A351-CF8 | A351-CF8M | 1 | |
| 2 | Tapa | A216-WCB | A351-CF8 | A351-CF8M | 1 | |
| 3 | Bola | 304 | 304 | 316 | 1 | |
| 4 | Asiento | RPTFE | 2 | |||
| 5 | Vástago | 304 | 304 | 316 | 1 | |
| 6 | Arandela de empuje | PTFE | 1 | |||
| 7 | Junta tórica | Viton | 1 | |||
| 8 | Empaquetadura | PTFE | 1 | |||
| 9 | Tuerca prensaestopas | 304 | 1 | |||
| 10 | Arandela Belleville | 301 | 2 | |||
| 11 | Tuerca | 304 | 2 | |||
| 12 | Tuerca de tope | 304 | 1 | |||
| 13 | Plato | 304 | 1 | |||
| 14 | Mango | 304 | 1 | |||
| 15 | Cubierta de mango | PLASTIC | 1 | |||
| 16 | Seguro | 304 | 1 | |||
| 17 | Junta | PTFE | 1 | |||
| 18 | Perno | 304 | 4(6.8) | |||
Dimensiones (unidad: mm)
| Tamaño | Ød | L | T | F | D1 | D2 | D3 | n- Ødl | H | W | P | ISO5211 Estándar | N.M | Kg | |
| DN15 | 1/2" | 15 | 108 | 9.7 | 1.6 | 89 | 60.5 | 35 | 4-16 | 80 | 145 | 9 | F03/F04 | 5 | 1.54 |
| DN20 | 3/4" | 20 | 117 | 10.5 | 1.6 | 98 | 70 | 43 | 4-16 | 85 | 145 | 9 | F03/F04 | 8 | 1.99 |
| DN25 | 1" | 25 | 127 | 11.2 | 1.6 | 108 | 79 | 51 | 4-16 | 95 | 160 | 11 | F04/F05 | 10 | 2.82 |
| DN32 | 1-1/4" | 32 | 140 | 12.7 | 1.6 | 117 | 89 | 63.5 | 4-16 | 108 | 160 | 11 | F04/F05 | 14 | 3.89 |
| DN40 | 1-1/2" | 38 | 165 | 14.7 | 2 | 127 | 98 | 73.2 | 4-16 | 114 | 185 | 14 | F05/F07 | 18 | 5.05 |
| DN50 | 2" | 50 | 178 | 16.3 | 2 | 152 | 121 | 92 | 4-19 | 124 | 185 | 14 | F05/F07 | 25 | 7.15 |
| DN65 | 2-1/2" | 65 | 190 | 17.9 | 2 | 178 | 140 | 104.7 | 4-19 | 148 | 230 | 17 | F07/F10 | 48 | 13.91 |
| DN80 | 3" | 76 | 203 | 19.5 | 2 | 190 | 152 | 127 | 4-19 | 158 | 230 | 17 | F07/F10 | 75 | 15.90 |
| DN100 | 4" | 94 | 229 | 24.3 | 2 | 229 | 191 | 157.2 | 8-17 | 191 | 320 | 17 | F07/F10 | 110 | 26.40 |
Productos relacionados
Comentarios
Otros productos
Novedades
Señal de salida LED con iluminación lateral y panel acrílico transparente/espejado, JELBEX
ft-emergencylight.com.ar
Más
Otros productos
Vídeos

