Resistencia vitrificada
Las resistencias vitrificadas poseen un revestimiento de esmalte, un material vítreo de resistencia térmica que le permite soportar altas temperaturas de hasta 350℃. Estas características lo convierten en la resistencia perfecta para su uso en electrónica de automoción, electrodomésticos, equipos de telecomunicación, lámparas de ahorro energético, dispositivos de control automático (convertidores, etc.) y demás campos relacionados.
Propiedades de las resistencias vitrificadas| Propiedades | Método de prueba | Requisitos | |
| Tolerancia del resistor | E24 ±5% ±10% | ||
| Fuerza dieléctrica (Solo los modelos de aislamiento) | AC1500V: 1 minuto | AC1500V: 1 minuto | Sin rotura de aislamiento ni salto de corriente. |
| Resistencia del aislamiento (Solo los modelos de aislamiento) | DC500V: 1 minuto | DC500V1 minuto | >20MΩ/cm² |
| Soldabilidad | 265±5℃ y 2s 0.5s; altura de inmersión: 1.5-2.0mm | 265±5℃; 2s 0.5s; altura de inmersión: 1.5-2.0mm | △ R≤± (1%R 0.05Ω )No hay daño visible; Zona recubierta de soldadura nueva >95%. |
| Resistencia máxima | 10N-10±0.5s | 10N 10 ±0.5s | △ R≤± (1%R 0.05Ω ) No hay daño visible |
| Sobrecarga en periodo corto | 5x Potencia nominal: 5s | 5x Potencia nominal: 5s | △R≤± (1%R 0.10Ω ) Sin daño visible y marcado preciso. |
| Resistencia al calor desprendido por la soldadura | 350℃±10℃, altura de inmersión: 3~3.5mm | 350℃±10℃, altura de inmersión: 3~3.5mm | △R≤± (1%R 0.10Ω ) No hay daño visible |
| Vibración | Min{10-500HZ y 0.75mm, 98m/s²}; x, y, z: total 6h | 1Min{10-500HZ y 0.75mm, 98m/s²}; x, y, z: total 6h | △R≤± (1%R 0.05Ω ) No hay daño visible |
| Vida útil bajo temperatura ambiente | 1.5h encendido y 0.5h apagado: 1000h | 1.5h encendido y 0.5h apagado: 1000h | △R≤± (5%R 0.1Ω ) R>1GΩ |
| Resistencia a la humedad | RH:90-95%; 40℃; 96h | RH:90-95%; 40℃; 96h | △ R≤± (5%R 0.1Ω ) R≥20M Ω/cm² |
Modelos
Modelos de resistencia vitrificada serie RX20
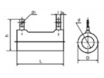
| Modelo | Potencia nominal (W) | Intervalo de resistencia (Ω) | Dimensiones (mm) | |||||||||
| Fija | Variable | L | D | d | h | I | K | b | t | t | ||
| RXYC-(2.5) | (2.5) | 5.2-430 | - | 26±1.6 | 13*1.3 | 4 ±0.5 | 27 ±2.5 | - | - | 3.5 ±0.8 | 4.5 | 2 |
| RX20-8 | 8 | 5.1-3.3K | - | 35±1.5 | 14±2 | 5.5 ±0.5 | 28.5±2.5 | - | - | 3.5 ±0.8 | 4.5 | 2 |
| RX20-10 | 10 | 5.1-10K | 5.1-200 | 41 ±1.5 | 14±2 | 5.5 ±0.5 | 28.5±2.5 | 20 | 6 2 | 3.5 ±0.8 | 4.5 | 2 |
| RX20-16 | 16 | 5.1-10K | 5.1-220 | 45±1.5 | 17±2 | 8±0.5 | 31 ±25 | 23 | 6 2 | 3.5 ±0.8 | 4.5 | 2 |
| RX20-(20) | (20) | 5.1-10K | 5.1-220 | 51 ±2 | 17±2 | 8±0.5 | 31 ±23 | 30 | 6 2 | 3.5±0.8 | 4.5 | 2 |
| RX20-25 | 25 | 10-24K | 10-510 | 51 ±2 | 21 ±2.5 | 12 ±0.6 | 35±2.5 | 30 | 6 2 | 3.5±0.8 | 4.5 | 2 |
| RX20-(30) | (30) | 10-30K | 10-1K | 71 ±2.2 | 21 ±2.5 | 12 ±0.6 | 36±25 | 44 | 6 2 | 3.5 ±0.8 | 4.5 | 2 |
| RX20-40 | 40 | 20-51 K | 20-1.2K | 87±2.2 | 21 ±2.5 | 12 ±0.6 | 36±25 | 57 | 6 2 | 3.5 ±0.8 | 4.5 | 2 |
| RX20-50 | 50 | 20-51K | 20-1.2K | 91 ±2.4 | 29±3 | 20±1.1 | 43±3 | 60 | 7 2 | 4.5±1 | 6 | 2.5 |
| RX20-75 | 75 | 24-56K | 20-1.5K | 140±3 | 29±3 | 20±1.1 | 43±3 | 11 | 7 2 | 4.5 ±1 | 6 | 2.5 |
| RX20-100 | 100 | 20-62K | 24-2.7K | 170 ±3.5 | 29±3 | 20±1.1 | 43±3 | 140 | 7 2 | 4.5±1 | 6 | 2.5 |
| RX20-150 | 150 | 20-150K | 20-4.3K | 215 ±4 | 29±3 | 20±1.1 | 43±3 | 185 | 7 2 | 4.5 ±1 | 6 | 2.5 |
| Modelo | Potencia nominal (W) | Intervalo de resistencia (Ω) | Dimensiones (mm) | ||||
| D | d | L | L1 | B1 | |||
| ZG11-25 | 25 | 10-3.6K | < 26 | 13 ±0.9 | 50±1.5 | 42 ±2.5 | 21 ±4 |
| ZG11-50 | 50 | 10-8.2K | < 26 | 13 ±0.9 | 90 ±2.5 | 80 ±3.5 | 21 ±4 |
| ZG11-75 | 75 | 10-10K | < 26 | 13 ±0.9 | 160±3 | 148±5 | 25±4 |
| ZG11-100 | 100 | 10-15K | < 33 | 18±1 | 170±3 | 155±5 | 25±4 |
| ZG11-150 | 150 | 10-20K | < 33 | 18±1 | 215±4 | 203 ±6 | 25±4 |
| ZG11-200 | 200 | 10-25K | < 33 | 18±1 | 267 ±4 | 250 ±6 | 25±4 |
| ZG11-300 | 300 | 10-39K | < 45 | 24 ±1.2 | 220±4 | 200 ±8 | 45±5 |
| ZG11-400 | 400 | 10-50K | < 45 | 24 ±1.2 | 332 ±5 | 310±8 | 45±5 |
| ZG11-500 | 500 | 0.2-8.2K | < 55 | 30±1.5 | 300±5 | 290±8 | 48±5 |
| ZG11-800 | 800 | 0.2-9K | < 65 | 40±1.5 | 300±5 | 290 ±8 | 58±5 |
| ZG11-1000 | 1000 | 0.5-10K | < 70 | 45 ±1.5 | 300 ±5 | 290 ±8 | 60±5 |
| ZG11-1200 | 1200 | 1-12K | < 70 | 45±1.5 | 380 ±5 | 365±8 | 60±5 |
| ZG11-1500 | 1500 | 1-15K | < 70 | 45±1.5 | 420 ±5 | 405 ±8 | 60±5 |
| ZG11-2000 | 2000 | 2-18K | < 70 | 45±1.5 | 520 ±5 | 500 ±8 | 60±5 |
| 2G11-2500 | 2500 | 5-20K | < 70 | 45 ±1.5 | 600 ±5 | 585±8 | 60±5 |
| ZG11-3000 | 3000 | 5~25K | < 85 | 48 ±1.5 | 605 ±5 | 585 ±8 | 68±5 |
Potencia nominal: 20W
Intervalo de resistencia: 5.1Ω-5KΩ
Tolerancia del resistor: ±5%; ±10%
Límite de temperatura: -55℃~±350℃
Tolerancia máxima del resistor: ≥10Ω: ±200PPM/℃; ≤5-10Ω: ±400PPM/℃
<5Ω: -
Nota aclarativa: la forma, dimensiones, resistencia y demás detalles son modificables tras acuerdo previo.
Certificación vigente: SJ2746-87
| Potencia nominal (W) | Intervalo de resistencia ( Ω) | Dimensiones (mm) | ||
| L±1 | D±0.5 | d | ||
| 2.5 | 0.1-1K | 12.7 | 5.6 | 0.08 0.8 -0.05 |
| 4.3 | 0.1-4.7K | 23 | 7 | |
| 6 | 0.1-5.6K | 22.2 | 8 | 0.08 1 -0.05 |
| 10 | 0.1-6.8K | 37 | ||
| 12 | 0.1-15K | 53.5 | ||