Polea giratoria de cerámica

Polea giratoria de cerámica
Solicite un presupuesto

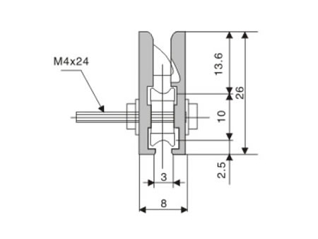
La polea giratoria de cerámica es un accesorio para el tensor (control de tensión). La polea está diseñada para evitar que el cable se desvíe de la guía del rodillo durante el cambio de dirección del cable a un mayor ángulo.

Materials
Rodillo guía: Pureza al 99% de AL2O, con una dureza de HRRC88, y densidad de 3.85g/cm2, asegurando una gran resistencia al desgaste.
Cubierta: Existen 2 opciones de materiales: cerámica y plástico. La cubierta QH007 y QH008 son plásticos, tienen más dureza comparado a la cubierta de cerámica.

Características
1. El rodillo guía de cerámica en el medio de la Polea giratoria de cerámica para el tensor es fabricado usando pulido de alta precisión para que la aspereza sea bajo Ra 0.2, además de asegurar que no se dañe el cable esmaltado.
2. La bobina magnética es equipada con un soporte adecuado para de esta manera mantener la estabilidad de la fuerza de tracción de embobinado. Asimismo aumenta el uso de vida de la Polea giratoria de cerámica.

Tipos opcionales

  • Polea giratoria de cerámica QH001 para tensor, peso 4g
  • Polea giratoria de cerámica QH002 para tensor, peso 7.5g
  • Polea giratoria de cerámica QH003 para tensor, peso 14g
  • Polea giratoria de cerámica QH004 para tensor, peso 4g
  • Polea giratoria de cerámica QH005 para tensor, peso 2g
  • Polea giratoria de cerámica QH006 para tensor, peso 2g
  • Polea giratoria de cerámica QH007 para tensor, peso 4g
  • Polea giratoria de cerámica QH008 para tensor, peso 9g
Productos relacionados
Comentarios
Otros productos
Enviar mensaje
Enviar mensaje