Válvula de freno de mano, PDF17-00
Solicite un presupuesto
| Presión de entrada de aceite | 20MPa |
| Presión de freno | 10MPa |
| Presión de retorno de aceite | ≤0.5MPa |
| Rango de viscocidad | 10-380 mm²/s |
| Rango de temperatura de aceite | -20℃--100℃ |
| Limpieza de aceite | No menor al nivel GB/T 14039-2002 19/16 o al nivel NAS 1638 10 |
| Masa | 1.9Kg |
Tamaño de contorno de conexión
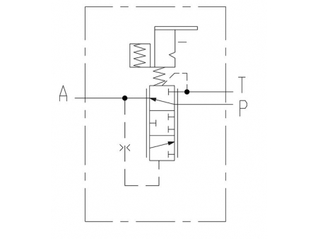
Esquema del sistema hidráulico
Proveedor especializado dedicado a la I D, fabricación y venta de innumerables componentes hidráulicos
Capacidad de producción anual de 250.000 juegos de componentes hidráulicos
Nuestra amplia variedad incluye más de 30 series y más de 200 variedades y especificaciones diseñadas para satisfacer las necesidades específicas de nuestros clientes
Productos relacionados
Comentarios
Otros productos
Novedades
Señal de salida LED con iluminación lateral y panel acrílico transparente/espejado, JELBEX
ft-emergencylight.com.ar
Más
Otros productos
Vídeos

