GDV120 | 120-130L/min
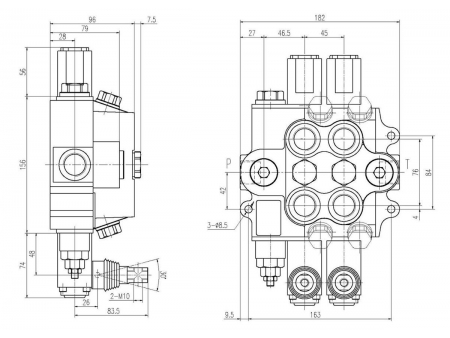
Válvula de control direccional monobloque
Dentro de la línea de seis series de válvulas direccionales monobloque, el GDV120 se destaca por su capacidad para manejar un rango de flujo de 25 a 170 L/min. Tiene varias opciones de carretes, es perfecta para controlar cilindros de doble efecto, cilindros de simple efecto y motores hidráulicos. Gracias a su versatilidad y precisión, esta serie cumple con requerimientos exigentes de varios sistemas hidráulicos, garantizando un funcionamiento eficiente y confiable en diferentes.
Características
- El cuerpo de la válvula es fabricada de hierro fundido gris.
- De manera opcional el exceder su potencia.
- Posicionado mecánico opcional.
- Vástago con distintas funciones está disponible: para cilindro de control de accionamiento dual o único, vástago para motor hidráulico.
- Fuerza de baja operación y características excelentes de flujo.
- Cantidad de vástago: 1 a 4 pueden ser ensamblados (ahora solo de 1 vástago está disponible)
| Flujo nominal | 120L/min |
| Máx. flujo | 130 L/min |
| Máx. presión | 310 bar |
| Fuga interna (70 bar): A/B a T | 30-35 CC/min |
| Rango de temperatura del fluido | |
| Con juntas NBR(BUNA-N) | -20C° -80C° |
| Con junta FPM (VITON) | -20C° - 100C° |
| Tipo de vástago (1/2 posición) | 7/-7mm |
| Con función de flotado(1/2 y posición F) | 7/-7 -9mm |
| Rango de viscosidad | 15-75mrrT2/s |
| Rango de temperatura de ambiente | -40C° -60C° |
| Solenoide puede ser de 12VDC o 24VDC, corriente correspondiente es de 0-1.5 o 0-0.75 Amp. | |
Ampliamente utilizado en una amplia variedad de maquinaria, la serie GDV120 aumenta significativamente la eficiencia operativa de dispositivos industriales, equipos agrícolas y vehículos de construcción. Es particularmente efectiva en sistemas como cargadoras de ruedas, montacargas y astilladoras de troncos, demostrando ser una solución flexible y confiable para el control hidráulico preciso en aplicaciones exigentes.

