Válvula de control lógico CV32
Solicite un presupuesto
- Diseñada para sistemas variables y sensibles a la carga, la CV32 tiene un control lógico de gran precisión, regula la dinámica del fluido en tiempo real que se adaptan a las demandas operativas.
- Se coordina perfectamente entre una bomba variable de dirección y una bomba fija de un sistema de trabajo, tiene división automática del flujo para una exclente eficiencia.
- Cuenta con una función de descarga de baja presión para bombas fijas, esto reduce significativamente el consumo de energía durante el funcionamiento.
- Tiene una función de válvula de descarga de alta presión, que optimiza la seguridad y la eficiencia del sistema al regular los picos de presión de una forma eficaz y sencilla.
Aplicaciones
- Cargadoras frontales
- Excavadoras
- Topadora
- Equipos de manipulación de materiales
Parámetros
| Presión nominal (MPa) | 31.5 |
| Caudal nominal (L/min) | 350 (caudal máximo: 400L/min) |
| Presión diferencial (MPa) | 1.5-2 |
| Aceite hidráulico | Aceite mineral (HL, HLP) según DIN 51 524 |
| Rango de temperatura del fluido (℃) | -20~100 |
| Rango de viscosidad (mm2/s) | 10~380 |
| Limpieza del fluido | No menor a GB/T 14039-93 nivel 19/16 o NAS 1638 nivel 10 |
| Peso (kg) | 18 |
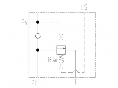
Diagrama del sistema hidráulico
Dimensiones de la conexión externa
Proveedor especializado dedicado a la I D, fabricación y venta de innumerables componentes hidráulicos
Capacidad de producción anual de 250.000 juegos de componentes hidráulicos
Nuestra amplia variedad incluye más de 30 series y más de 200 variedades y especificaciones diseñadas para satisfacer las necesidades específicas de nuestros clientes
Productos relacionados
Comentarios
Otros productos
Novedades
Más
Otros productos
Vídeos

