Válvula de control direccional seccional SMWV-06
Válvula de control hidráulica multidireccional para el control del flujo de fluidos en diversas máquinas industriales y agrícolas
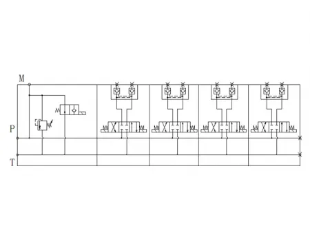
La válvula de control direccional seccional SMWV-06 utiliza un carrete de accionamiento electromagnético para controlar el arranque, la parada y los cambios de dirección del fluido en sistemas hidráulicos. Está equipada con un solenoide de CC de tipo húmedo, completamente sellado y aislado, que permite que la armadura se mueva en aceite. Este diseño reduce el desgaste, suaviza el impacto hidráulico, mejora la disipación de calor y aumenta la fiabilidad de conmutación y restablecimiento, lo que resulta en una mayor vida útil. La válvula cuenta con conductos de fluido integrados que reducen la pérdida de presión y aumentan la capacidad de flujo para una mayor eficiencia.
- Diseño modular y compacto con capacidad para combinar múltiples módulos de válvulas.
- La estructura de bloqueo hidráulico integrado simplifica los circuitos hidráulicos y mejora la seguridad.
- Baja pérdida de presión y alta eficiencia, lo que ayuda a reducir el consumo energético general de la máquina.
| Presión nominal | 315bar |
| Caudal nominal | 40L/min |
| Rango de temperatura del fluido | -20℃~80℃ |
| Contamination Level | ISO 4406 CLASS 20/18/15 |
| Tratamiento de superficies | Niquelado |
| Rango de viscosidad del aceite | ISO 20~400mm²/s |
La válvula seccional se utiliza ampliamente en maquinaria de cosecha, plataformas de trabajo aéreo y equipos de saneamiento:
- Maquinaria de cosecha (p. ej., cosechadoras): Permite el control sincronizado de la altura de la mesa de cosecha, la velocidad del tambor y las unidades de limpieza, adaptándose a las fluctuaciones de las cargas del campo.
- Plataformas aéreas de trabajo (p. ej., elevadores sobre camión): Permiten un control suave y preciso de la extensión y retracción del estabilizador, con una función de retención de presión que mantiene la plataforma estable y segura durante el trabajo en altura.
- Vehículos de saneamiento (p. ej., compactadores de basura, camiones con gancho elevador): Controlan las acciones de elevación y descenso de los mecanismos de volteo de contenedores y elevación de brazos de forma eficiente y fiable.
Señal de salida LED con iluminación lateral y panel acrílico transparente/espejado, JELBEX
ft-emergencylight.com.ar

