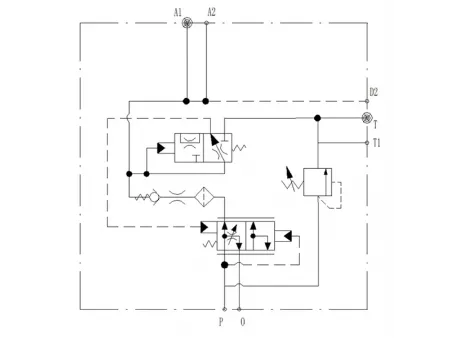
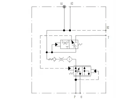
Válvula de carga de acumulador único YSV-S
- Diseño modular y compacto que ofrece un funcionamiento seguro y fiable.
- Bajas fugas internas con respuesta rápida, lo que mejora la estabilidad del sistema hidráulico.
- Disponible en versiones de circuito simple y doble, diseñadas para integrarse sin problemas con las configuraciones de acumulador, lo que garantiza un rendimiento hidráulico fiable y eficiente.
La válvula de carga del acumulador se utiliza ampliamente en camiones mineros, vehículos con neumáticos, cargadoras de ruedas, retroexcavadoras, motoniveladoras, tractores, carretillas elevadoras y manipuladorss telescópicas. Garantiza que el acumulador mantenga un suministro adecuado y constante de aceite hidráulico a alta presión, proporcionando energía de respaldo esencial para el sistema de frenado. Esto garantiza un frenado de emergencia eficaz incluso si el motor se apaga, falla la bomba hidráulica o el sistema principal presenta un mal funcionamiento.
En condiciones normales de funcionamiento, la válvula proporciona un soporte de frenado rápido y potente, mejorando tanto la confiabilidad como el rendimiento de seguridad a prueba de fallas de los sistemas de frenado en equipos pesados y móviles.
| Relación de carga | 10L/min |
| Presión límite baja | 114bar |
| Presión límite alta | 138bar |
| Presión del sistema | 210bar |
| Caudal | 7.5~113.6L/min |
| Rango de temperatura del fluido hidráulico | -20℃~120℃ |
| Rango de temperatura ambiente | -40℃~80℃ |
| Fluido hidráulico | Aceite mineral general (ISO 20~400mm²/s) |
Señal de salida LED con iluminación lateral y panel acrílico transparente/espejado, JELBEX
ft-emergencylight.com.ar

